Vacuum Tube Variable High Voltage power supply info.

Vacuum Tube Variable Regulated High Voltage power supplies.

Schematics and pictures supporting the December 2019 article in
THE SPECTRUM MONITOR
"Those regulated power supplies; Heathkit and others"

RCA regulated PS in RCA Service Notes 1934
RCA regulated power supply

Simplified RCA regulated Power Supply schematic
RCA regulated power supply simplified aschematic

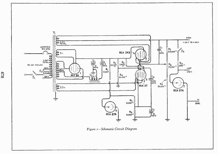
RCA regulated Power Supply full schematic
RCA regulated power supply full_schematic



Lambda Model 25 power supply schematic
Lambda_25_PS_schematic


Heathkit PS-1 catalog ad
Heathkit_PS-1_ad

Heahtkit PS-1 variable power supply schematic - not regulated
Heahtkit_PS-1_ not_ regulated

Heathkit PS-2 catalog ad 1953
Heathkit_PS-1_ad

Heathkit PS-3
Heathkit_PS-1_ad

Heathkit PS-3 schematic

Heathkit PS-4 schematic

Heathkti IP-32 schematic

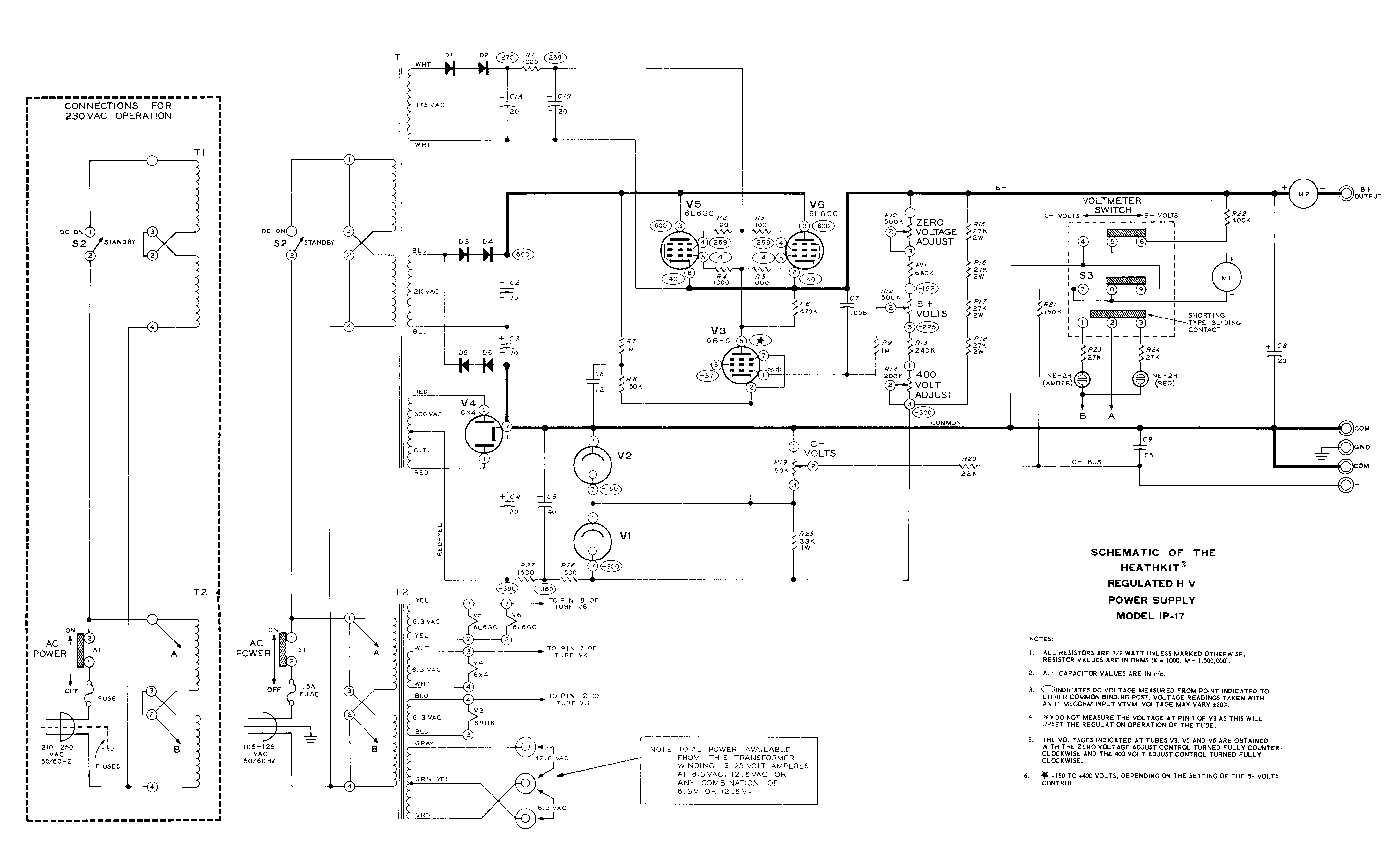
Heathkti IP-17 schematic

Heathkit IP-2117A regulated PS in 1988 Heathkit catalog

Heathkti EUW15 power supply catalog specs
EUW-15 specs

Heathkit EUW-15 schematic

Chatham E-50 regulated PS informational ad in 2-50 RTV News
Chatham_E-50

Column schematic - Dan's 90 volt "B" supply schematic and circuit board
'B' supply schematic and board

Go back to the BA Pix Homepage.